Как переделать проводку с HB5 под цоколь D2S ?

Все о ремонте, как и что. Делимся, спрашиваем.
Karel
Клубный Субарист
Сентябрь 2010 / 69

Как переделать проводку с HB5 под цоколь D2S ?

Сообщение Karel » 31 май 2013, 15:24

Имеется WRX 2001 г.в. стоят фары с одной лампой, с цоколем НВ5, куплены фары от STI с двумя лампами D2S и HB3.Вот ломаю голову как переделать проводку.Подскажите, может кто проходил данную процедуру.

Dementy
Клубный Субарист
Январь 2010 / 971
Авто: Volvo и Mercedes
Откуда: Город На Неве

Re: Как переделать проводку с HB5 под цоколь D2S ?

Сообщение Dementy » 02 июн 2013, 14:56

Два реле, четыре метра провода 2.5 квадрата, два метра кембрика и час времени :-)
Заодно переключатель света станет вечным. Фары-то с блоками? Схему надо? Если да, то только завтра смогу прислать...

Karel
Клубный Субарист
Сентябрь 2010 / 69

Re: Как переделать проводку с HB5 под цоколь D2S ?

Сообщение Karel » 03 июн 2013, 09:26

Dementy писал(а):Два реле, четыре метра провода 2.5 квадрата, два метра кембрика и час времени :-)
Заодно переключатель света станет вечным. Фары-то с блоками? Схему надо? Если да, то только завтра смогу прислать...
Если не трудно пришли схемку. Все путает приходящий постоянный "+".

Dementy
Клубный Субарист
Январь 2010 / 971
Авто: Volvo и Mercedes
Откуда: Город На Неве

Re: Как переделать проводку с HB5 под цоколь D2S ?

Сообщение Dementy » 03 июн 2013, 18:30

Тут описывал давно.
Схема не выжила... Нарисую заново - опять завтра)))) Но в принципе там из описания все понятно...
http://www.subaru-faq.ru/forum/index.php?PAGE_NAME=message&FID=5&TID=3715&MID=34213#message34213

Karel
Клубный Субарист
Сентябрь 2010 / 69

Re: Как переделать проводку с HB5 под цоколь D2S ?

Сообщение Karel » 04 июн 2013, 10:00

Dementy писал(а):Тут описывал давно.
Схема не выжила... Нарисую заново - опять завтра)))) Но в принципе там из описания все понятно...
http://www.subaru-faq.ru/forum/index.php?PAGE_NAME=message&FID=5&TID=3715&MID=34213#message34213

Спасибо за ссылку. Но схемку  не помешало бы)

Dementy
Клубный Субарист
Январь 2010 / 971
Авто: Volvo и Mercedes
Откуда: Город На Неве

Re: Как переделать проводку с HB5 под цоколь D2S ?

Сообщение Dementy » 04 июн 2013, 11:25

Вот, как смог)))
P.S. Цвета могут не совпасть.
P.P.S. Да, художник из меня не ах)))
Вложения
1111111.jpg

Karel
Клубный Субарист
Сентябрь 2010 / 69

Re: Как переделать проводку с HB5 под цоколь D2S ?

Сообщение Karel » 04 июн 2013, 12:42

Dementy писал(а):Вот, как смог)))
P.S. Цвета могут не совпасть.
P.P.S. Да, художник из меня не ах)))

Спасибо, схемка что надо!
+1 за проделанную работу)
По диоду вопрос. Вы какой ставили(номиналы, марка)? И еще вапросик, у меня к штатной лампе подходит постоянный "+" , постоянный "-" и "+" при включении ближнего, схема будет работать?

Dementy
Клубный Субарист
Январь 2010 / 971
Авто: Volvo и Mercedes
Откуда: Город На Неве

Re: Как переделать проводку с HB5 под цоколь D2S ?

Сообщение Dementy » 04 июн 2013, 12:53

Диод любой на ток не менее 300мА. Такой например.
Напряжения все надо измерять при включенном зажигании и исправных лампах.
Дневного света не было автоматического?

Karel
Клубный Субарист
Сентябрь 2010 / 69

Re: Как переделать проводку с HB5 под цоколь D2S ?

Сообщение Karel » 04 июн 2013, 13:01

Dementy писал(а):Дневного света не было автоматического?

да, есть.

Dementy
Клубный Субарист
Январь 2010 / 971
Авто: Volvo и Mercedes
Откуда: Город На Неве

Re: Как переделать проводку с HB5 под цоколь D2S ?

Сообщение Dementy » 04 июн 2013, 16:16

Надо его отключать. Схем сейчас нет под рукой, Пилигриму стукнись в ПМ, он точно помнит, где и что отключить. Я только завтра смогу...

Karel
Клубный Субарист
Сентябрь 2010 / 69

Re: Как переделать проводку с HB5 под цоколь D2S ?

Сообщение Karel » 04 июн 2013, 16:25

Dementy писал(а):Надо его отключать. Схем сейчас нет под рукой, Пилигриму стукнись в ПМ, он точно помнит, где и что отключить. Я только завтра смогу...

Скинь как сможешь.

Dementy
Клубный Субарист
Январь 2010 / 971
Авто: Volvo и Mercedes
Откуда: Город На Неве

Re: Как переделать проводку с HB5 под цоколь D2S ?

Сообщение Dementy » 04 июн 2013, 18:40

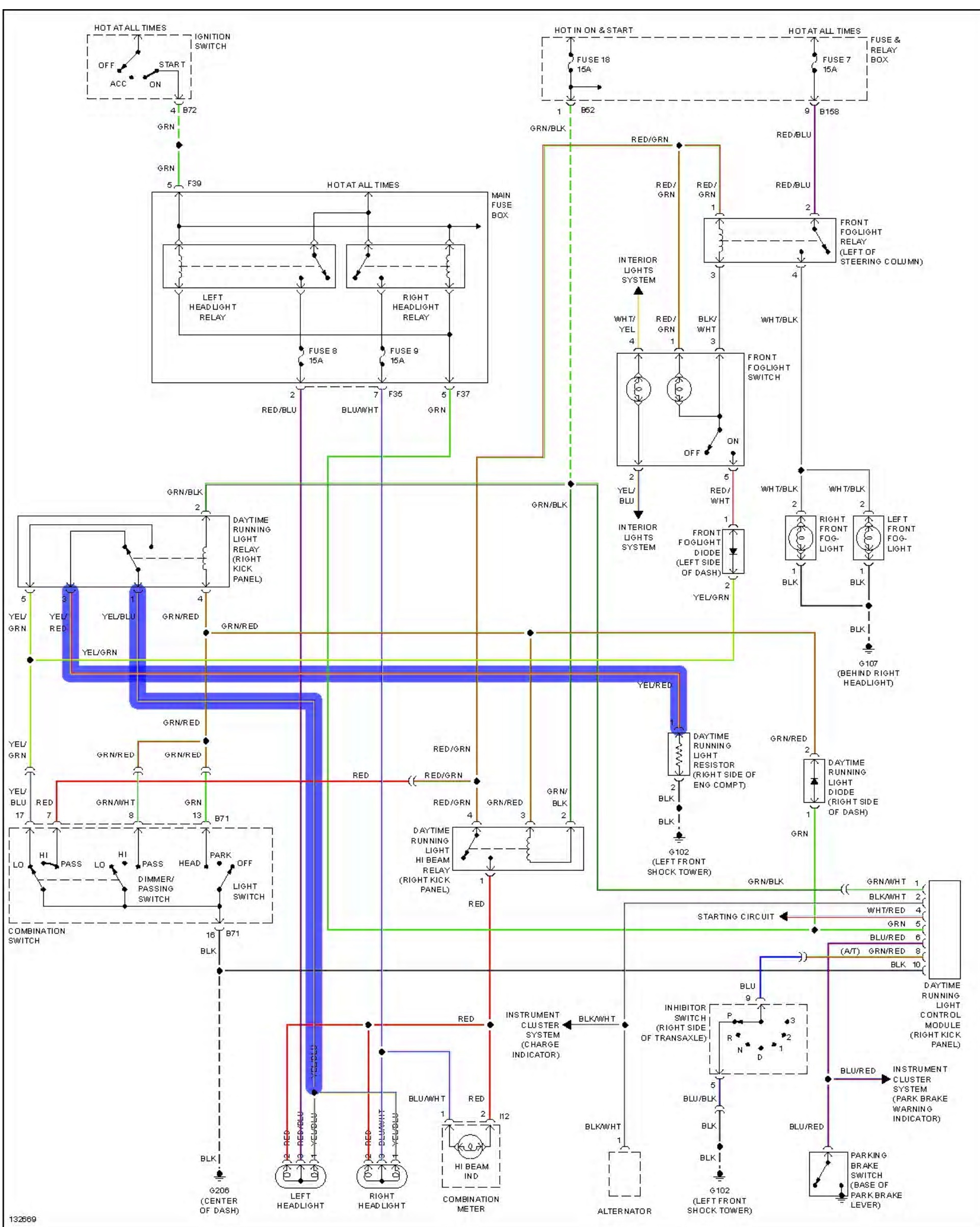
[font=Verdana]Надо снять разъем с резистора Day running light, он, судя по всему, на правом столбе под капотом.[/font]

Karel
Клубный Субарист
Сентябрь 2010 / 69

Re: Как переделать проводку с HB5 под цоколь D2S ?

Сообщение Karel » 04 июн 2013, 18:58

Сходил для верности проверил, в общем, имеем следующую картину, при включенном ближнем на 2-х контактах "+" на одном "-",
при дальнем на одном "+" на двух "-" ?????

Dementy
Клубный Субарист
Январь 2010 / 971
Авто: Volvo и Mercedes
Откуда: Город На Неве

Re: Как переделать проводку с HB5 под цоколь D2S ?

Сообщение Dementy » 05 июн 2013, 13:13

Схема.
Вложения
Printing from OnDemand5.jpg

Karel
Клубный Субарист
Сентябрь 2010 / 69

Re: Как переделать проводку с HB5 под цоколь D2S ?

Сообщение Karel » 05 июн 2013, 15:48

Karel писал(а):при включенном ближнем на 2-х контактах "+" на одном "-",
при дальнем на одном "+" на двух "-"

получается это из-за Day running light?

Dementy
Клубный Субарист
Январь 2010 / 971
Авто: Volvo и Mercedes
Откуда: Город На Неве

Re: Как переделать проводку с HB5 под цоколь D2S ?

Сообщение Dementy » 05 июн 2013, 18:21

Вообще-то он должен отключаться при включении ближнего, но скорее всего не отключается... Это странно. Но в любом случае выдергивание резистора нас спасает)))


Вернуться в «Ремонт / Обслуживание и обмен опытом»

Кто сейчас на конференции

Сейчас этот форум просматривают: нет зарегистрированных пользователей и 1 гость