цоколь лампы hb4, ищу распиновку самой лампы
цоколь лампы hb4, ищу распиновку самой лампы
кто в курсе подскажите куда на лампу допустим в положении как на картинке приходят + и -.
нужно для впайки по плюсу сопротивления в цоколь самой свотодиодной лампы.
Прозвонить фишку просьба не предлогать.
нужно для впайки по плюсу сопротивления в цоколь самой свотодиодной лампы.
Прозвонить фишку просьба не предлогать.
Re: цоколь лампы hb4, ищу распиновку самой лампы
Т.к. лампа накаливания - неполярная, то, ИМХО, стандарта тут нет.
Помимо прозвонки, можно угадать полярность по цветам проводов и схемам электрооборудования.
Ну, и метод научного тыка тоже никто не отменял. Светодиод с токоограничивающим резистором не скорит, а просто не будет светиться при переполюсовке.
PS: Ещё думается, что в самой светодиодной лампе, внутри, может быть встроен диодный мост. Полярность для такой лампы не важна.
Помимо прозвонки, можно угадать полярность по цветам проводов и схемам электрооборудования.
Ну, и метод научного тыка тоже никто не отменял. Светодиод с токоограничивающим резистором не скорит, а просто не будет светиться при переполюсовке.
PS: Ещё думается, что в самой светодиодной лампе, внутри, может быть встроен диодный мост. Полярность для такой лампы не важна.
Прошивка любых Субару 2001+ года. Включая атмо.
Моддинг турбо-прошивок.
(92I) 9O9-пятьшесть-I9, Дима
Я на Драйв2
Моддинг турбо-прошивок.
(92I) 9O9-пятьшесть-I9, Дима
Я на Драйв2
Re: цоколь лампы hb4, ищу распиновку самой лампы
по то что белый провод- плюс понятно, просто лень два раза локер скидывать, первый раз посмотреть и потом припаяв ставить, погода не распологает по земле валяться.
светодиод с мостом, но говорят что резистор подключать последовательно по плюсу...
а по стандартам, думаю распиновка всех фишек одинаковая, не в ручную-же их пинуют.
светодиод с мостом, но говорят что резистор подключать последовательно по плюсу...
а по стандартам, думаю распиновка всех фишек одинаковая, не в ручную-же их пинуют.
- Архитектор
- Администратор
- Октябрь 2009 / 2781
- Авто: Forester
- Откуда: Питер
Re: цоколь лампы hb4, ищу распиновку самой лампы
Какая разница по плюсу резистор или по минусу, чет не пойму?
В замкнутой цепи ток одинаков на любом её участке...
В замкнутой цепи ток одинаков на любом её участке...
Re: цоколь лампы hb4, ищу распиновку самой лампы
к сожаления не обладаю познаниями в этой области и немогу ничего прокоментировать, просто полистал несколько профильных форумов и вынес оттуда несколько раз встречающееся уточнение по поводу резистора именно по плюсу.
К тому-же это подтверждает онлайн калькулятор по которому расчитывал сопротивление:
К тому-же это подтверждает онлайн калькулятор по которому расчитывал сопротивление:
Re: цоколь лампы hb4, ищу распиновку самой лампы
Игорь, Архитектор прав! Абсолютно фиолетово куда резистор ставить.
Митя
Re: цоколь лампы hb4, ищу распиновку самой лампы
А еще лучше добавь туда к резистору стабилизатор тока:

http://www.chipdip.ru/product/lm317bt/
lm317 надо на алюминиевую пластинку-радиатор привернуть...

http://www.chipdip.ru/product/lm317bt/
lm317 надо на алюминиевую пластинку-радиатор привернуть...
Митя
Re: цоколь лампы hb4, ищу распиновку самой лампы
Если резистор будет 1.2 Ом, получишь на выходе стабилизированный ток 1А

Тут полярность важна.

Тут полярность важна.
Митя
Re: цоколь лампы hb4, ищу распиновку самой лампы
это самое правильное решение, но для меня неосуществимое, т.к. разместить это внутри цоколя нв4 мне не по силам, туда мальенький резистор с трудом влезет, а вмешиваться в штатную проводку нехочу, тогда галоген уже непоставить будет... если резистор не поможет, то откажусь вообще от навязчивой идеи светодиодов в птф.
Re: цоколь лампы hb4, ищу распиновку самой лампы
А зачем туда резистор? Кто подсказал?
Игорь, ты туда именно светодиод вставляешь, или готовую лампу?
Если готовую, то резистор не нужен. Или ты яркость понизить хочешь?
Игорь, ты туда именно светодиод вставляешь, или готовую лампу?
Если готовую, то резистор не нужен. Или ты яркость понизить хочешь?
Re: цоколь лампы hb4, ищу распиновку самой лампы
я хочу понизить напряжение, на 2,5в, до нужных 12в, это пустые китайские лампочки нв4 без стабилизатора, они сгорают уже через месяц от перегрева. Конечно понижение яркости будет следствием...
Re: цоколь лампы hb4, ищу распиновку самой лампы
Тогда резистор нужной мощности в цоколь не влезет. Предлагаю простое решение. В Мегачипе можно купить разъемы папа и мама именно как под эти лампы, а в разрыв между ними впаять резисторы. Цена будет копеечной и процесс обратимый за минуты. Можно найти разъемы и на авторынке, но в магазин за резисторами всё равно ехать.
Re: цоколь лампы hb4, ищу распиновку самой лампы
Вариант два - переделать разводку в лампах и адаптировать их под стабилизатор тока.
Например на 300 мА.
А два таких стабилизатора я тебе на эксперименты подарю))))
Например на 300 мА.
А два таких стабилизатора я тебе на эксперименты подарю))))
Re: цоколь лампы hb4, ищу распиновку самой лампы
я ж говорю, расчет и сборка подобных схем для меня - высшая математика, поэтому и хотел обойтись банальным резистором, в воскресенье заезжал в микронику, вместе с продавцом расщитали емкость сопротивления, вроде все верно, и даже несколько ближайших по номиналу взял, но оказалось все не то.
По размеру есть резисторы которые помещаются внутри цоколя.
По размеру есть резисторы которые помещаются внутри цоколя.
Re: цоколь лампы hb4, ищу распиновку самой лампы
i66 писал(а):вместе с продавцом расщитали емкость сопротивления, вроде все верно, и даже несколько ближайших по номиналу взял, но оказалось все не то.
По размеру есть резисторы которые помещаются внутри цоколя.
Размер определяется рассеиваемой мощностью. Если резистор маленький, он просто на маленькую мощность.
Игорь, скажи, какой ток жрут твои лампочки при 12V? Ну или скажи хотябы их номинальную мощность? Тогда можно будет определить, какой резистор и на какую мощность тебе нужен...
Митя
Re: цоколь лампы hb4, ищу распиновку самой лампы
Минимум 1 Ватт нужно рассеять. Уже не самый маленький резистор.
Если лампочка 3 Ватта, то ток уже 0,25А. Чтобы погасить два с половиной вольта, нужно рассеять 0,6 Ватта, т.е. нужен одноваттный резистор, кроме того, он должен охлаждаться. Конструкция в цоколь не влезет...
Если лампочка 3 Ватта, то ток уже 0,25А. Чтобы погасить два с половиной вольта, нужно рассеять 0,6 Ватта, т.е. нужен одноваттный резистор, кроме того, он должен охлаждаться. Конструкция в цоколь не влезет...
- Piligrim
- Администратор
- Октябрь 2005 / 9126
- Авто: UAZ Patriot 2021MY, ранее Forester 2.0 STurbo 2001MY, ещё ранее Forester 2.0 1998MY
- Откуда: Питер
Re: цоколь лампы hb4, ищу распиновку самой лампы
вот и опять выходим на выносной стабилизатор
http://subaru.spb.ru/viewtopic.php?p=145646#p145646
http://subaru.spb.ru/viewtopic.php?p=145646#p145646
Стабильного наддува тебе Субарист!
...нет ничего нового: все новое — это хорошо забытое старое!
...Пессимист - это хорошо информированный оптимист, а оптимист - хорошо инструктированный пессимист.
...не работаю в Созвездии с 31/12/2018, ушёл на пенсию.
...нет ничего нового: все новое — это хорошо забытое старое!
...Пессимист - это хорошо информированный оптимист, а оптимист - хорошо инструктированный пессимист.
...не работаю в Созвездии с 31/12/2018, ушёл на пенсию.
Re: цоколь лампы hb4, ищу распиновку самой лампы
вот лампа и резисторы, как видно под крышку цоколя они влезают.
по характеристикам лампы, инфа с алибабы, поэтому вызывает недоверие, но что имею... 7,5w , 280mA
по характеристикам лампы, инфа с алибабы, поэтому вызывает недоверие, но что имею... 7,5w , 280mA
Re: цоколь лампы hb4, ищу распиновку самой лампы
7.5 КОм - не много ли?
И мощность резисторов надо считать, скорее всего даже 1Вт - дюже мало. Погорят.
И мощность резисторов надо считать, скорее всего даже 1Вт - дюже мало. Погорят.
Прошивка любых Субару 2001+ года. Включая атмо.
Моддинг турбо-прошивок.
(92I) 9O9-пятьшесть-I9, Дима
Я на Драйв2
Моддинг турбо-прошивок.
(92I) 9O9-пятьшесть-I9, Дима
Я на Драйв2
Re: цоколь лампы hb4, ищу распиновку самой лампы
Игорь, обсчитались вы с продавцом. Они тебе 7.5 кОм продали, а нужно было 7.5 Ом на 1 Вт.
http://www.chipdip.ru/product0/1039/
http://www.chipdip.ru/product0/1039/
Митя
Re: цоколь лампы hb4, ищу распиновку самой лампы
найден рекомендуемый вами удлиннитель hb4-hb4, теперь можно подумать об полноценном стабилизаторе, как мне опять не обсчитаться при покупке? как уже говорил, сам я полный...неэлектрик, а продавцы то-же ошибаются, причем в 1000 раз )))
может кто неполениться и такнет ссылку на готовый девайс под мои лампы, что-б на выходе я имел стабильные чуть меньше 12в, яркость мне неважна, поэтому в идеале имхо 11,5в.
может кто неполениться и такнет ссылку на готовый девайс под мои лампы, что-б на выходе я имел стабильные чуть меньше 12в, яркость мне неважна, поэтому в идеале имхо 11,5в.
Re: цоколь лампы hb4, ищу распиновку самой лампы
Выбери время, встреться со мной и получи два стабилизатора в подарок))))
Re: цоколь лампы hb4, ищу распиновку самой лампы
Или пять диодов 1N4001 в разрыв провода последовательно, упадет на них примерно 3 Вольта.
На две стороны 10 диодов надо, вот таких - http://www.platan.ru/cgi-bin/qwery.pl/id=55188
На две стороны 10 диодов надо, вот таких - http://www.platan.ru/cgi-bin/qwery.pl/id=55188
Re: цоколь лампы hb4, ищу распиновку самой лампы
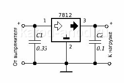
проезжая опять мимо Микроники купил-таки стабилизатор напряжения 7812 и два конденсатора, на соплях слепил схемку для проверки, получил странную картину -
при подаче 12в всев норме, затем плавно увеличиваю напряжение до максимальных на БП 14в и вместе с этим увеличивается яркость и резко нагрев, почему так происходит, если этот стабилизатор должен выдавать стабильные 12в?
при подаче 12в всев норме, затем плавно увеличиваю напряжение до максимальных на БП 14в и вместе с этим увеличивается яркость и резко нагрев, почему так происходит, если этот стабилизатор должен выдавать стабильные 12в?
Re: цоколь лампы hb4, ищу распиновку самой лампы
7812 на радиатор надо ставить. Кроме того, L7812 начинает работать со входного напряжения от 14,5 Вольт, коих в авто практически не найти... Вариант с диодами "и проще, и дешевле". А еще - почти не греется...
- Вложения
-
- 456-20847-0-L7805_2.pdf
- (58.92 КБ) 473 скачивания
Re: цоколь лампы hb4, ищу распиновку самой лампы
радиатор конечно, вырезал из алюминиевого профиля.
сегодня провел экспиримент с 8ом резисторором после стабилизатора, падение напряжения и яркости есть, жаль замерить нечем, возьму у знакомого мультиметр проверю, но я так понял 7812 в схеме все равно не помешает, видел зимой и 14,7вольт по-утру.
а если взять к примеру 7810, то порог начала работы будет 12,5 и на выходе 10?
и в ущерб яркости получим неубиваемую диодную лампочку?
сегодня провел экспиримент с 8ом резисторором после стабилизатора, падение напряжения и яркости есть, жаль замерить нечем, возьму у знакомого мультиметр проверю, но я так понял 7812 в схеме все равно не помешает, видел зимой и 14,7вольт по-утру.
а если взять к примеру 7810, то порог начала работы будет 12,5 и на выходе 10?
и в ущерб яркости получим неубиваемую диодную лампочку?
Re: цоколь лампы hb4, ищу распиновку самой лампы
Гасишь 4 Вольта при 350мА - рассеиваешь почти полтора ватта. Ты уже освоил паяльник. Спаяй пять диодов и не мучай себе мозг)))
В конце концов, в наше время юзать линейный стабилизатор напряжения просто стыдно
Малопотребляющая лампа и нагрев воздуха стабилизатором не очень совмещаются)))
По фен-шуй надо стабилизировать ток кристаллов. Подходи, не ленись, принимай...))) Я тебе еще шесть одноваттных диодов подарю - сбацаешь мегалампу, поделишься опытом, всем счастье (и я, такой, в сторонке пальчиком в ладошке кручу
).
В конце концов, в наше время юзать линейный стабилизатор напряжения просто стыдно
Малопотребляющая лампа и нагрев воздуха стабилизатором не очень совмещаются)))По фен-шуй надо стабилизировать ток кристаллов. Подходи, не ленись, принимай...))) Я тебе еще шесть одноваттных диодов подарю - сбацаешь мегалампу, поделишься опытом, всем счастье (и я, такой, в сторонке пальчиком в ладошке кручу
).Re: цоколь лампы hb4, ищу распиновку самой лампы
сегодня подцепил мультиметр, результаты - 7812 работает независимо то приходящего напряжения, при 14 вольтах на входе имею 12 на выходе, далее снижая плавно с шагом 0,1, так-же с погрешностью снижается и на выходе и к 12 на входе - 10 на выходе, это очень хорошо, но почему? я не понимаю, если это не входит в заявленные характеристики этого транзистора...
кстати с резистором на 8Ом после стабилизатора имею то-же 10В, но резистор сильно греется.
Найду снятую ПТФку попробую посмотреть в живую яркость в обоих режимах, там решу что достаточно.
кстати с резистором на 8Ом после стабилизатора имею то-же 10В, но резистор сильно греется.
Найду снятую ПТФку попробую посмотреть в живую яркость в обоих режимах, там решу что достаточно.
Re: цоколь лампы hb4, ищу распиновку самой лампы
i66 писал(а): это очень хорошо, но почему? я не понимаю, если это не входит в заявленные характеристики этого транзистора...
Это не "очень хорошо", а "так получилось". Стабилизатор работает не в режиме. Внутри него ток проходит через резистор и транзистор, они и рассеивают мощность. Проблема в том, что стабилизатор, работая при таком входном напряжении, ничего не стабилизирует. С тем же успехом можно было и резистор поставить - так же криво будет работать, греться будет, но дешевле стоит и радиатор не нужен при правильном подборе мощности.
Кто сейчас на конференции
Сейчас этот форум просматривают: нет зарегистрированных пользователей и 1 гость

