Генератор
-
Владимир_С
- Клубный Субарист
- Июнь 2011 / 589
- Авто: Outback 2007 bp9 EJ253; Outback 1999 B12 2,5 AT USA был
- Откуда: СПб
Генератор
Последнее время стал замечать, что на холостых под нагрузкой (ближний, стопы, музыка, печка) бортсеть проседает до 11,4В, а на оборотах поднимается не более 13,7. Один раз года три назад я уже отдавал это чудо агрегат в переборку, как видно на долго не хватило...
Приобрел сдуру гену от чистокровного японца, естественно фишки не подходят.
У меня фишка о трех контактах, но проводов в ней два. В японском гене фишка двухконтактная. В мурзилке на европейца в фишке проводов три.
Собственно вопрос как это дело подружить.
Один контакт возбуждение, что за второй контакт? Если переполюсовать (подключая методом научного тыка), перепутать местами на сколько критично, опасно?
Приобрел сдуру гену от чистокровного японца, естественно фишки не подходят.
У меня фишка о трех контактах, но проводов в ней два. В японском гене фишка двухконтактная. В мурзилке на европейца в фишке проводов три.
Собственно вопрос как это дело подружить.
Один контакт возбуждение, что за второй контакт? Если переполюсовать (подключая методом научного тыка), перепутать местами на сколько критично, опасно?
Если жить так, словно завтра не наступит никогда, то оно может и не наступить…
- Snake
- Клубный Субарист
- Август 2012 / 593
- Авто: Subaru Forester SF5 2.0 STI from Snake
- Откуда: St.-Petersburg
Re: Генератор
Владимир_С писал(а):Последнее время стал замечать, что на холостых под нагрузкой (ближний, стопы, музыка, печка) бортсеть проседает до 11,4В, а на оборотах поднимается не более 13,7. Один раз года три назад я уже отдавал это чудо агрегат в переборку, как видно на долго не хватило...
Приобрел сдуру гену от чистокровного японца, естественно фишки не подходят.
У меня фишка о трех контактах, но проводов в ней два. В японском гене фишка двухконтактная. В мурзилке на европейца в фишке проводов три.
Собственно вопрос как это дело подружить.
Один контакт возбуждение, что за второй контакт? Если переполюсовать (подключая методом научного тыка), перепутать местами на сколько критично, опасно?
На чистокровных японцев ставились оба генератора 2х контактная фишка и 3х контактная, последняя просто с более новых авто. Это так для информации на всякий случай...
The client is not always right.
- Boroda
- Клубный Субарист
- Июль 2010 / 2587
- Авто: Outback B12 AT(был) ,KIA Spectra GS(есть).
- Откуда: Санкт-Петербург
Re: Генератор
Один провод возбуждение обмотки,второй контрольная лампа.Провода подключаются в той-же последовательности,необходим разъём для хорошего контакта.
Спустился с гор,за солью!!!
Мощность как деньги и время-постоянно не хватает......
Мощность как деньги и время-постоянно не хватает......
Re: Генератор
Врать не буду, но сдается мне, что один из проводов - это Voltage sense. Помню давно упражнялся со своим генератором на SF, там этот провод шел в блок предов подкапотный и был соединен непосредственно с + батареи. Смысл такого решения понятен - регулировать напряжение в точке разбора энергии потребителями, а не прямо на генераторе, с которого питание в блок идет через несколько соединений. У меня этот провод в жгуте отгнил, и напряжение болталось в районе 16-17 Вольт.
P.S. Перепутав провода - спалил выход генератора на лампочку, ездил без оной потом. Может, конечно, он и до моего тычка не работал, но лучше перебдеть)))
P.S. Перепутав провода - спалил выход генератора на лампочку, ездил без оной потом. Может, конечно, он и до моего тычка не работал, но лучше перебдеть)))
- Piligrim
- Администратор
- Октябрь 2005 / 9126
- Авто: UAZ Patriot 2021MY, ранее Forester 2.0 STurbo 2001MY, ещё ранее Forester 2.0 1998MY
- Откуда: Питер
Стабильного наддува тебе Субарист!
...нет ничего нового: все новое — это хорошо забытое старое!
...Пессимист - это хорошо информированный оптимист, а оптимист - хорошо инструктированный пессимист.
...не работаю в Созвездии с 31/12/2018, ушёл на пенсию.
...нет ничего нового: все новое — это хорошо забытое старое!
...Пессимист - это хорошо информированный оптимист, а оптимист - хорошо инструктированный пессимист.
...не работаю в Созвездии с 31/12/2018, ушёл на пенсию.
-
Владимир_С
- Клубный Субарист
- Июнь 2011 / 589
- Авто: Outback 2007 bp9 EJ253; Outback 1999 B12 2,5 AT USA был
- Откуда: СПб
Re: Генератор
Огромное Спасибо!
По этому и спросил сначала прежде чем руки шаловливые туда сунуть. В электрике мягко говоря не очень.
Лампочкой пожертвовать готов, а вот сгоревшей приборкой не хочется.
По этому и спросил сначала прежде чем руки шаловливые туда сунуть. В электрике мягко говоря не очень.
Лампочкой пожертвовать готов, а вот сгоревшей приборкой не хочется.
Если жить так, словно завтра не наступит никогда, то оно может и не наступить…
- Piligrim
- Администратор
- Октябрь 2005 / 9126
- Авто: UAZ Patriot 2021MY, ранее Forester 2.0 STurbo 2001MY, ещё ранее Forester 2.0 1998MY
- Откуда: Питер
Re: Генератор
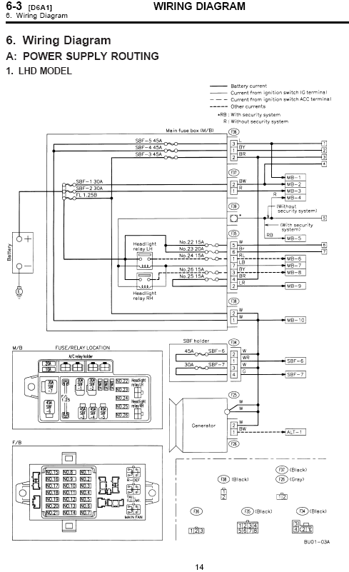
дернуто с Легася 99 года
Стабильного наддува тебе Субарист!
...нет ничего нового: все новое — это хорошо забытое старое!
...Пессимист - это хорошо информированный оптимист, а оптимист - хорошо инструктированный пессимист.
...не работаю в Созвездии с 31/12/2018, ушёл на пенсию.
...нет ничего нового: все новое — это хорошо забытое старое!
...Пессимист - это хорошо информированный оптимист, а оптимист - хорошо инструктированный пессимист.
...не работаю в Созвездии с 31/12/2018, ушёл на пенсию.
Кто сейчас на конференции
Сейчас этот форум просматривают: нет зарегистрированных пользователей и 0 гостей
