поставил мотор контрактник, 2 цилиндра молчат, что за...?
поставил мотор контрактник, 2 цилиндра молчат, что за...?
поставил мотор контрактник EJ20G Turbo, 2 цилиндра молчат, те которые ближе к аккуму...
мой мотор был 93 года, этот 95 года с импрезы, по проводам почти все подошло, косу только пришлось всю свою оставить... мозги не менял, остались старые...
пробовал переставлять рабочие свечи, форсунки, менять местами катушки со старого движка, ничего...
свечи искру дают, форсунки вроде тоже исключено, потому как меняли местами и старые рабочие ставил, толку нет... но свечи в тех цилиндрах которые молчат сухие, такое ощущение что нет подачи топлива к ним... понять не могу что за херь... грешу на мозги, но как то сомнительно, форсунки вроде как работают все... компрессия по всем цилиндрам в норме... что за херь в итоге не пойму...
Проходила тема с количеством зубов ( по которым работают датчик коленвала и распредвала)
на старом моторе на зубчатом шкиве коленвала 7 выступов на новом 6.
узнал про шкивы и зубья мастер сразу сказал что знает эту тему, проверялось и все одинаково... грм тоже отпадает, все метки сверились им не раз... даже не знаю... мастера в тупике, ни у кого даже мыслей нет че за проблема... вроде все проверилось, думаю осталось взять мозги такие же от другой тачки поставить... может при установке что там коротнуло в них... хотя это самое последнее на что думать осталось...
мой мотор был 93 года, этот 95 года с импрезы, по проводам почти все подошло, косу только пришлось всю свою оставить... мозги не менял, остались старые...
пробовал переставлять рабочие свечи, форсунки, менять местами катушки со старого движка, ничего...
свечи искру дают, форсунки вроде тоже исключено, потому как меняли местами и старые рабочие ставил, толку нет... но свечи в тех цилиндрах которые молчат сухие, такое ощущение что нет подачи топлива к ним... понять не могу что за херь... грешу на мозги, но как то сомнительно, форсунки вроде как работают все... компрессия по всем цилиндрам в норме... что за херь в итоге не пойму...
Проходила тема с количеством зубов ( по которым работают датчик коленвала и распредвала)
на старом моторе на зубчатом шкиве коленвала 7 выступов на новом 6.
узнал про шкивы и зубья мастер сразу сказал что знает эту тему, проверялось и все одинаково... грм тоже отпадает, все метки сверились им не раз... даже не знаю... мастера в тупике, ни у кого даже мыслей нет че за проблема... вроде все проверилось, думаю осталось взять мозги такие же от другой тачки поставить... может при установке что там коротнуло в них... хотя это самое последнее на что думать осталось...
-
Turbo 1993
Re: поставил мотор контрактник, 2 цилиндра молчат, что за...?
Завтра должен завестись мой EJ20G после капиталки...посмотрим...
загвоздка в системе охлаждения мать ее, как правильно шланги все воткнуть
загвоздка в системе охлаждения мать ее, как правильно шланги все воткнуть
-
Макc
Re: поставил мотор контрактник, 2 цилиндра молчат, что за...?
Они практически все основные стрелачками подписаны,но по схемам вернее! 

-
Turbo 1993
Re: поставил мотор контрактник, 2 цилиндра молчат, что за...?
было выпито много пива...чем больше его пилось, тем лучше мастер понимал чего куда и как...
правда еще сказал, что сделает по своему, будет не хуже
правда еще сказал, что сделает по своему, будет не хуже

Re: поставил мотор контрактник, 2 цилиндра молчат, что за...?
Turbo 1993, может два цилиндра молчат потому что в них пиво? Мастер сказал, что так будет не хуже?
Мне наплевать на критику очередного нытика!
-
Turbo 1993
Re: поставил мотор контрактник, 2 цилиндра молчат, что за...?
все было пучком обмыто пивом, вся работа и подготовка...
короче первый раз заводил, тож два цилиндра...пиво наверное как то проникло...
провода на катушки по китапу с 2 на 4 цилиндр поменяли и завелася....
только с маслом на коробку не расчитал, завтра еще нужно 4 литра будет залить и поеду...
для обкатки залил Elf 5W40 синтетику...
короче пока не поедет пьянству бой давать нельзя!!!!
короче первый раз заводил, тож два цилиндра...пиво наверное как то проникло...
провода на катушки по китапу с 2 на 4 цилиндр поменяли и завелася....
только с маслом на коробку не расчитал, завтра еще нужно 4 литра будет залить и поеду...
для обкатки залил Elf 5W40 синтетику...
короче пока не поедет пьянству бой давать нельзя!!!!

- Aquarius
- Клубный Субарист
- Декабрь 2009 / 687
- Авто: Outback III (BPE, EZ30, E-5AT) / BMW K1200RS
- Откуда: Санкт-Петербург
Re: поставил мотор контрактник, 2 цилиндра молчат, что за...?
Осциллограф в руки возьмите и подсмотрие управление на "подозреваемых" форсунках. Вероятно, "потеряли" питание. При рассинхронизации ДПКВ и ДПРВ пропадает искра в 2 цилиндрах. Про топливо пока не слышал подобного.
Механик! Не мешай нормальной работе двигателя!
Не надо бояться неисправностей, пусть они тебя боятся!
Не надо бояться неисправностей, пусть они тебя боятся!
-
Turbo 1993
Re: поставил мотор контрактник, 2 цилиндра молчат, что за...?
mortal !!! ну что там у тебя????
Re: поставил мотор контрактник, 2 цилиндра молчат, что за...?
сделали, мастер сказал он крутил крутил и вдруг пошел черный дымок и заработали цилиндры? такое может быть вообще? чтобы залипли клапана? че-то не верится...
-
Turbo 1993
Re: поставил мотор контрактник, 2 цилиндра молчат, что за...?
Рад, что у тебя все завелось...
я переживал очень, когда заводил первый раз...
сегодня после двух часов на холостом поехал потихонечку...осталось подушку коробки поменять, пока поэтому еду тихонечко...
я переживал очень, когда заводил первый раз...
сегодня после двух часов на холостом поехал потихонечку...осталось подушку коробки поменять, пока поэтому еду тихонечко...
Re: поставил мотор контрактник, 2 цилиндра молчат, что за...?
двига вроде работает без проблем... но блин остался глюк который был ранее.. возникает при сырой мерзлой погоде, машина на маленьких оборотах дергается иногда, при начале нажатия на газ, и че-то щелкает под рулевой колонкой, реле какое-то... и иногда когда газ резко сбрасываешь на нетраль и обороты почти до 0 доходят, а потом равняются не сразу... раньше думал это дело в катушках либо форсунках, либо реле хол.хода, либо еще какой-то датчик на двигле... так сейчас же все это другое, весь двиг со всей электрикой другой,.. мое наврено только расходомер и мозг осталось... хотя может еще что-то... неужто мозг менять?...
Re: поставил мотор контрактник, 2 цилиндра молчат, что за...?
ну вообще мозгов в те времена , даже на один мотор , было несколько вариантов ...
Re: поставил мотор контрактник, 2 цилиндра молчат, что за...?
mortal писал(а):двига вроде работает без проблем... но блин остался глюк который был ранее.. возникает при сырой мерзлой погоде, машина на маленьких оборотах дергается иногда, при начале нажатия на газ, и че-то щелкает под рулевой колонкой, реле какое-то... и иногда когда газ резко сбрасываешь на нетраль и обороты почти до 0 доходят, а потом равняются не сразу... раньше думал это дело в катушках либо форсунках, либо реле хол.хода, либо еще какой-то датчик на двигле... так сейчас же все это другое, весь двиг со всей электрикой другой,.. мое наврено только расходомер и мозг осталось... хотя может еще что-то... неужто мозг менять?...
Надо ЛОГИ снять и поглядеть может проводок какой контачит не контачит , Да и свечки с компрессией глянуть, Свечи о многом говорят !
Занимаюсь любимым делом.
Re: поставил мотор контрактник, 2 цилиндра молчат, что за...?
novichok писал(а):Надо ЛОГИ снять и поглядеть может проводок какой контачит не контачит , Да и свечки с компрессией глянуть, Свечи о многом говорят !
вы вообще прочитали что я написал..?
говорю же мотор другой поставил и все датчики на нем другие, более новые, а проблема та же осталась, поэтому повторяю что исключено все это:форсунки, свечи, провода, датчики на двиге... компрессия тоже в норме,давление масла в норме
логи считать? в смысле? если бы у меня чек горел то да, а так что толку то? если чек не горит он и не покажет ничего...
сегодня вообще ехать было трудно... особенно когда трогаешься с места, начинает щелкать реле под рулем и машина дергается, как будто кто-то в это время тупо резко отключает подачу искры на все свечи...
- Aquarius
- Клубный Субарист
- Декабрь 2009 / 687
- Авто: Outback III (BPE, EZ30, E-5AT) / BMW K1200RS
- Откуда: Санкт-Петербург
Re: поставил мотор контрактник, 2 цилиндра молчат, что за...?
mortal писал(а):
сегодня вообще ехать было трудно... особенно когда трогаешься с места, начинает щелкать реле под рулем и машина дергается, как будто кто-то в это время тупо резко отключает подачу искры на все свечи...
Проконтролируйте управление на реле бензонасоса.
Механик! Не мешай нормальной работе двигателя!
Не надо бояться неисправностей, пусть они тебя боятся!
Не надо бояться неисправностей, пусть они тебя боятся!
-
Макc
Re: поставил мотор контрактник, 2 цилиндра молчат, что за...?
Может быть датчик обсалютного давления в в пускном коллекторе,покрайней мере была такая проблемма у меня и оказался от датчика проводок отвалился!) 

- Архитектор
- Администратор
- Октябрь 2009 / 2781
- Авто: Forester
- Откуда: Питер
Re: поставил мотор контрактник, 2 цилиндра молчат, что за...?
mortal, "снять логи" и "посмотреть ошибки" это разные вещи. Бывает, что чек не горит а мотор неправильно работает.
novichok все правильно сказал - снимать логи, проверять контакты, разглядывать свечи. Как резонно подметил Aquarius, смотреть управление на реле бензонасоса от мозгов. Похоже, что оно (реле) щелкает.
novichok все правильно сказал - снимать логи, проверять контакты, разглядывать свечи. Как резонно подметил Aquarius, смотреть управление на реле бензонасоса от мозгов. Похоже, что оно (реле) щелкает.
Re: поставил мотор контрактник, 2 цилиндра молчат, что за...?
Архитектор писал(а):mortal, "снять логи" и "посмотреть ошибки" это разные вещи. Бывает, что чек не горит а мотор неправильно работает.
novichok все правильно сказал - снимать логи, проверять контакты, разглядывать свечи. Как резонно подметил Aquarius, смотреть управление на реле бензонасоса от мозгов. Похоже, что оно (реле) щелкает.
есть смысл попробовать другое реле поставить? метод переставления
... да и их вроде 2 штуки? судя по каталогу ориг.запчастей? я так понимаю под рулем где-то, там искать?вот это оно? http://exist.ru/price.aspx?pcode=82501GA240 на картинке 4 номер
[img width=800 height=399]http://www.auto-parts.spb.ru/cat/su/pics/2_B10_096_01.gif[/img]
Re: поставил мотор контрактник, 2 цилиндра молчат, что за...?
либо подскажите кто может мои логи считать...? везде отвечают что у меня ОБД1 и ни у кого нету такого старого разьема... а то помню была проблема электрик по очереди говорил то одно менять то другое, в итоге так и не нашел в чем тогда трабла была, а денег за диагностику взял... плюс впустую всяких запчастей покупал...
Re: поставил мотор контрактник, 2 цилиндра молчат, что за...?
ОБД1 вроде как только у Офф.дилера есть( зело дорог он ).
Piligrim, жду новую трубу!Болгарку купил!
"ООО"Флуд и ОFFTOP"
"ООО"Флуд и ОFFTOP"
- Aquarius
- Клубный Субарист
- Декабрь 2009 / 687
- Авто: Outback III (BPE, EZ30, E-5AT) / BMW K1200RS
- Откуда: Санкт-Петербург
Re: поставил мотор контрактник, 2 цилиндра молчат, что за...?
mortal писал(а):либо подскажите кто может мои логи считать...? везде отвечают что у меня ОБД1 и ни у кого нету такого старого разьема...
Давайте попробуем. Но надо будет взять меня, отвезти в сервис, там я возьму сканер, попробуем прицепиться, получится-на получится не знаю (но должно бы) и потом отвезти меня обратно домой.
Механик! Не мешай нормальной работе двигателя!
Не надо бояться неисправностей, пусть они тебя боятся!
Не надо бояться неисправностей, пусть они тебя боятся!
Re: поставил мотор контрактник, 2 цилиндра молчат, что за...?
так, а есть смысл попробовать другое реле бензонасоса поставить..? есть возможность взять на пробу...
да и самое главное что эти дергания только весной и осенью когнда сыро и темп 0+5, когда мороз либо тпело проблемы нет..ничего не дергается.. вполне веротяно что согреется в сервисе и сама собой пропадет... по крайней мере именно так и было, когда забрал машину после замены двигла... ездил весь день ничего не дергало... ночь постояла на утро после прогрева машины началось... на холодный движок почти нет дерганий...
да и самое главное что эти дергания только весной и осенью когнда сыро и темп 0+5, когда мороз либо тпело проблемы нет..ничего не дергается.. вполне веротяно что согреется в сервисе и сама собой пропадет... по крайней мере именно так и было, когда забрал машину после замены двигла... ездил весь день ничего не дергало... ночь постояла на утро после прогрева машины началось... на холодный движок почти нет дерганий...
- Piligrim
- Администратор
- Октябрь 2005 / 9126
- Авто: UAZ Patriot 2021MY, ранее Forester 2.0 STurbo 2001MY, ещё ранее Forester 2.0 1998MY
- Откуда: Питер
Re: поставил мотор контрактник, 2 цилиндра молчат, что за...?
смысла нет, но можешь переставить любое свое там же их как минимум Три шт...mortal писал(а):так, а есть смысл попробовать другое реле бензонасоса поставить..?
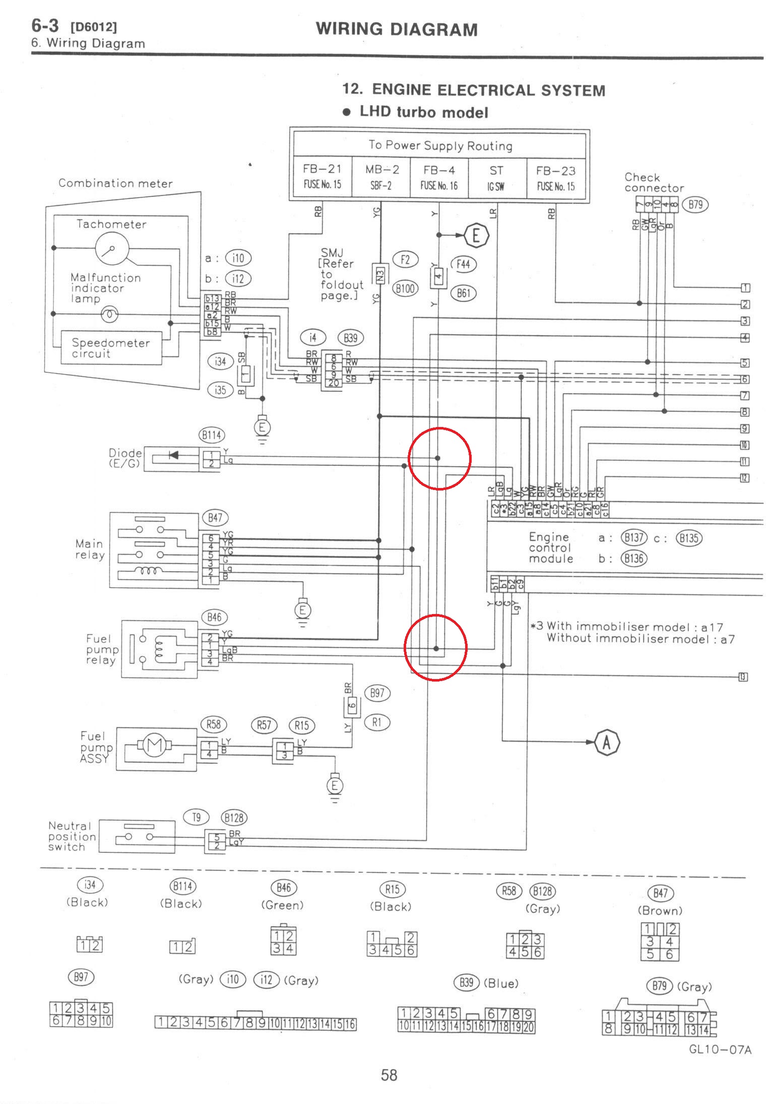
Проблема именно в проводке. Обрати внимание на отмеченные мной места.
Стабильного наддува тебе Субарист!
...нет ничего нового: все новое — это хорошо забытое старое!
...Пессимист - это хорошо информированный оптимист, а оптимист - хорошо инструктированный пессимист.
...не работаю в Созвездии с 31/12/2018, ушёл на пенсию.
...нет ничего нового: все новое — это хорошо забытое старое!
...Пессимист - это хорошо информированный оптимист, а оптимист - хорошо инструктированный пессимист.
...не работаю в Созвездии с 31/12/2018, ушёл на пенсию.
Re: поставил мотор контрактник, 2 цилиндра молчат, что за...?
Есть и у меня такой трабл!!! Знающий человек подсказал поменять датчик положения дроссельной заслонки. Я не менял, т.к. он стоит 6 тыщ новый. Я сам не уверен, что дело в нём поэтому ищу у кого-нибудь попробовать рабочий поставить!!!
Ещё может быть проблема в его настройке, т.к. я сам выставил вольтаж по прибору, авто лучше себя стало вести и проявляется этот глюк теперь в редких случаях!!!
Если что пиши в личку или звони 983-86-49 Евгений. Встретимся поболтаем на этот счёт!!!
Ещё может быть проблема в его настройке, т.к. я сам выставил вольтаж по прибору, авто лучше себя стало вести и проявляется этот глюк теперь в редких случаях!!!
Если что пиши в личку или звони 983-86-49 Евгений. Встретимся поболтаем на этот счёт!!!
Re: поставил мотор контрактник, 2 цилиндра молчат, что за...?
Ray писал(а):Есть и у меня такой трабл!!! Знающий человек подсказал поменять датчик положения дроссельной заслонки. Я не менял, т.к. он стоит 6 тыщ новый. Я сам не уверен, что дело в нём поэтому ищу у кого-нибудь попробовать рабочий поставить!!!
Ещё может быть проблема в его настройке, т.к. я сам выставил вольтаж по прибору, авто лучше себя стало вести и проявляется этот глюк теперь в редких случаях!!!
Если что пиши в личку или звони 983-86-49 Евгений. Встретимся поболтаем на этот счёт!!!
так я говорю мотор другой и все датчики на нем другие, а проблема эта была и со старым двиглом и старыми датчиками на нем... так что вариант по неисправности датчиков которые установлены на двигле отпадает... проблема именно где-то в электрике которая не менялась при замене движка на контрактный...
Re: поставил мотор контрактник, 2 цилиндра молчат, что за...?
сегодня пробовал ошибки из памяти считать... ошибок нет... пробовал диагностический режим, так вот он вообще не отвечает, что странно... раньше хоть после недолгой езды в этом режиме выдавал что ошибок нет, а сейчас вообще чек не горит... странно это очень...
Мне наплевать на критику очередного нытика!
Re: поставил мотор контрактник, 2 цилиндра молчат, что за...?
sawd писал(а):Может весна?
может сосна... для шуток и флуда есть отдельные разделы...
Мне наплевать на критику очередного нытика!
Re: поставил мотор контрактник, 2 цилиндра молчат, что за...?
вообщем тему можно закрывать...
проверил катушки еще разок... взял 2 старые катушки со старого двигла поставил и все заработало как надо... пришлось слегка переделать крепеж, но не сильно...
вот думаю наверно стоит переделать все-таки на 1 катушку от ГАЗ и провода...потому как чувствую что пропуск искры есть небольшой из-за чего и слегка повышенный расход... вот только как это делается не пойму...
проверил катушки еще разок... взял 2 старые катушки со старого двигла поставил и все заработало как надо... пришлось слегка переделать крепеж, но не сильно...
вот думаю наверно стоит переделать все-таки на 1 катушку от ГАЗ и провода...потому как чувствую что пропуск искры есть небольшой из-за чего и слегка повышенный расход... вот только как это делается не пойму...
Кто сейчас на конференции
Сейчас этот форум просматривают: нет зарегистрированных пользователей и 2 гостя

