Разъем
Разъем
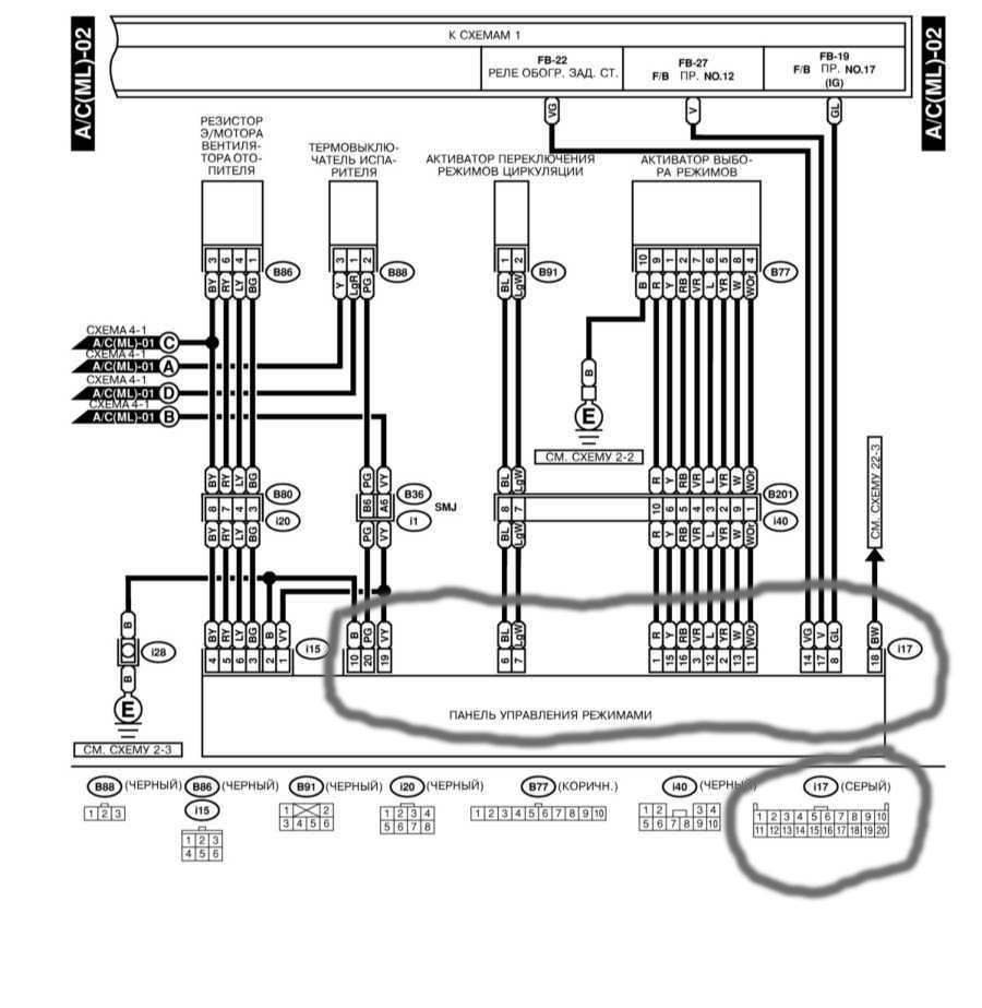
[font=Arial]Здравствуйте. Сразу к делу: У меня Outback универсал - американец 2002. Недавно ко мне в машину ночью залезли друиды с целью кражи магнитолы. Но, поскольку магнитолу я установил так, что её за раз не вынуть было, они от страха вырвали: блок управления печкой, магнитолу, маленький ящичек. Все бы хорошо, я поставил старую магнитолу, купил блок управления печкой, ящичек, но они вырвали 20-ти штырьковый разъем, который для управления направлением движения воздуха, включения кондея, циркуляция воздуха в салоне и подогрев заднего стекла. Блок управления печкой у меня как на картинке.[/font][font=Arial] Вопрос следующий: В книжке у меня есть распайка разъема (он отдельно не продается (либо 6500р. вся коса)), разъем я сделал, но на блоке номера контактов одни (они пронумерованы), в книжке совсем другие. Я пытался халявно подключить и так и так, но что-то плохо выходит. Нет ли у кого соответствующей картинки (фото) разъема, чтоб было видно цвета проводов. Буду оооочень благодарен![/font]
- Piligrim
- Администратор
- Октябрь 2005 / 9126
- Авто: UAZ Patriot 2021MY, ранее Forester 2.0 STurbo 2001MY, ещё ранее Forester 2.0 1998MY
- Откуда: Питер
Re: Разъем
http://automn.ru/subaru-legacy-outback/subaru-20606-10.m_id-2113.m_id2-2114.html
взято здесь http://subaru.spb.ru/viewtopic.php?t=4
так что просто поискать
взято здесь http://subaru.spb.ru/viewtopic.php?t=4
так что просто поискать
Стабильного наддува тебе Субарист!
...нет ничего нового: все новое — это хорошо забытое старое!
...Пессимист - это хорошо информированный оптимист, а оптимист - хорошо инструктированный пессимист.
...не работаю в Созвездии с 31/12/2018, ушёл на пенсию.
...нет ничего нового: все новое — это хорошо забытое старое!
...Пессимист - это хорошо информированный оптимист, а оптимист - хорошо инструктированный пессимист.
...не работаю в Созвездии с 31/12/2018, ушёл на пенсию.
Re: Разъем
Ну все правильно, у меня есть эти схемы в книжке. Разъем i17 и распайка тоже есть.
Re: Разъем
На самом разъеме косы номера крайних пинов должны стоять. В соответствии с ними и надо набивать. Схемой америкоса в принципе смогу помочь, но ближе к концу недели... Если надо, конечно.
Re: Разъем
Разъем вырвали. Со схемами сил нет возиться, поэтому фотку и прошу. Обрыл я все фото-отчеты о ремонтах своими руками, думал мало ли случайно засветиться этот разъем, но нет, нигде он не засветился...
Re: Разъем
Смотри ссылку которую дал [color=rgb(26, 25, 25)][size=1em][font=arial]Piligrim
вторая схема, разъем внизу, показана распиновка i17, так же написано на схеме какой цвет соответствует номеру![/font][/size][/color]
[color=rgb(26, 25, 25)][font=arial]Коды цвета взяты из мануала на импрезу, могут отличаться, глянь в своем мануале.[/font]Так что проблемм не вижу
[/color]
вторая схема, разъем внизу, показана распиновка i17, так же написано на схеме какой цвет соответствует номеру![/font][/size][/color]
[color=rgb(26, 25, 25)][font=arial]Коды цвета взяты из мануала на импрезу, могут отличаться, глянь в своем мануале.[/font]Так что проблемм не вижу
[/color]Re: Разъем
Я ж говорю есть у меня это, и цвета в книжке расписаны - просто разъем который я сделал не потерпит переделки (мне нельзя ошибиться), поэтому хочется на все сто быть уверенным. А с фото не поспоришь.
Вот, к примеру, засветился в таком отчёте фотка разъема, который к климат-контролю, но у меня комплектация не та. У меня все на ручках.
Может я где промаргал какой фото-отчет о ремонте, где разъем засветился? Дайте ссылку. Или может кто собирается магнитолу менять в такой же тачке - сфотографируйте, пожалуйста.
Вот, к примеру, засветился в таком отчёте фотка разъема, который к климат-контролю, но у меня комплектация не та. У меня все на ручках.
Может я где промаргал какой фото-отчет о ремонте, где разъем засветился? Дайте ссылку. Или может кто собирается магнитолу менять в такой же тачке - сфотографируйте, пожалуйста.
Re: Разъем
Ну тогда гугл в помощ
Re: Разъем
Вообще украли у меня давно все это, даже тросик печки вырвали (холодно-жарко), я от восьмерки приспособил. У меня сейчас собрано все, так и не заметно - направляющие месяц ждал. Но сейчас дико жарко стало, кондиционер хочется включить, а он рабочий - обидно жутко.
Re: Разъем
Тему можно закрывать.
Я плюнул на поиски фото и подключил всё сам, оказывается, это я был болван - всё у меня совместилось на схеме разъема которую я перерисовал давно как-то с подписями цветов и на номерах контактов на блоке - внимательно посмотрел - всё правильно было подписано.
Спасибо за ответы.
Я плюнул на поиски фото и подключил всё сам, оказывается, это я был болван - всё у меня совместилось на схеме разъема которую я перерисовал давно как-то с подписями цветов и на номерах контактов на блоке - внимательно посмотрел - всё правильно было подписано.
Спасибо за ответы.
- Piligrim
- Администратор
- Октябрь 2005 / 9126
- Авто: UAZ Patriot 2021MY, ранее Forester 2.0 STurbo 2001MY, ещё ранее Forester 2.0 1998MY
- Откуда: Питер
Re: Разъем
ziegfried, "НОВОЕ это просто хорошо забытое старое" 

Стабильного наддува тебе Субарист!
...нет ничего нового: все новое — это хорошо забытое старое!
...Пессимист - это хорошо информированный оптимист, а оптимист - хорошо инструктированный пессимист.
...не работаю в Созвездии с 31/12/2018, ушёл на пенсию.
...нет ничего нового: все новое — это хорошо забытое старое!
...Пессимист - это хорошо информированный оптимист, а оптимист - хорошо инструктированный пессимист.
...не работаю в Созвездии с 31/12/2018, ушёл на пенсию.
Кто сейчас на конференции
Сейчас этот форум просматривают: нет зарегистрированных пользователей и 2 гостя
