ABS

"разбор полетов" + практические рекомендации.
Аватара пользователя
Piligrim
Администратор
Октябрь 2005 / 9126
Авто: UAZ Patriot 2021MY, ранее Forester 2.0 STurbo 2001MY, ещё ранее Forester 2.0 1998MY
Откуда: Питер

Re: ABS

Сообщение Piligrim » 27 фев 2013, 01:31

Ребята вы что в Маразм впадаете ??  :o


Уже как N-цать лет как четырехканальная ABS на Субарях
Стабильного наддува тебе Субарист!
...нет ничего нового: все новое — это хорошо забытое старое!
...Пессимист - это хорошо информированный оптимист, а оптимист - хорошо инструктированный пессимист.
...не работаю в Созвездии с 01/01/2019, ушёл на пенсию.

Аватара пользователя
acepire
Клубный Субарист
Январь 2011 / 2443

Re: ABS

Сообщение acepire » 27 фев 2013, 02:37

Piligrim, 4-е датчика ABS или же 4-е канала регулировки давления? Число каналов регулировки давления не превосходит число датчиков, и - да - как правило оба эти числа равны и в сегодняшние дни = 4. Но... Если взять теперь уже предпредыдущего форестера, - на атмосферных на задней оси бытовали барабанные тормоза, регулировка давления в которых на "скоростях" работы ABS представляется делом странным... Рискну предположить, что там может быть 4-е датчика ABS и лишь 2-а канала регулировки давления. Думаю, опыт специалистов профильного сервиса этот вопрос однозначно разрешит.)
"Теория — это когда все известно, но ничего не работает. Практика — это когда все работает, но никто не знает почему. Мы же объединяем теорию и практику: ничего не работает… и никто не знает почему!"  — Альберт Эйнштейн

Аватара пользователя
Piligrim
Администратор
Октябрь 2005 / 9126
Авто: UAZ Patriot 2021MY, ранее Forester 2.0 STurbo 2001MY, ещё ранее Forester 2.0 1998MY
Откуда: Питер

Re: ABS

Сообщение Piligrim » 27 фев 2013, 13:30

acepire писал(а):Piligrim, 4-е датчика ABS или же 4-е канала регулировки давления?

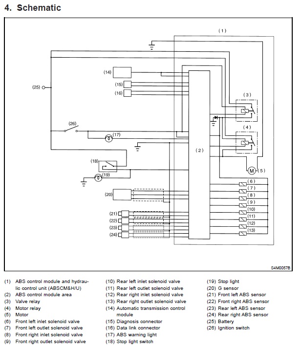
Закрепляя пройденное в аттаче:
1. Схема электрическая принципиальная
2. Диаграмма уровней сигналов и тайминги при тестировании системы АБС Форестера 98 года на раздельных барабанах
Вложения
ABS_Forest_99-2002.jpg
ABS_test_diag_Forest_98.jpg
Стабильного наддува тебе Субарист!
...нет ничего нового: все новое — это хорошо забытое старое!
...Пессимист - это хорошо информированный оптимист, а оптимист - хорошо инструктированный пессимист.
...не работаю в Созвездии с 01/01/2019, ушёл на пенсию.

Аватара пользователя
acepire
Клубный Субарист
Январь 2011 / 2443

Re: ABS

Сообщение acepire » 27 фев 2013, 13:48

Гляди-ка.. И вправду 4 канала :) От он крест-накрест колёсами играет на второй картинке.
"Теория — это когда все известно, но ничего не работает. Практика — это когда все работает, но никто не знает почему. Мы же объединяем теорию и практику: ничего не работает… и никто не знает почему!"  — Альберт Эйнштейн

Аватара пользователя
acepire
Клубный Субарист
Январь 2011 / 2443

Re: ABS

Сообщение acepire » 27 фев 2013, 14:14

Картинка действительно классная, плюсик Пилигриму.
Комментарии ко второй:
Регулируется давление в каждом отдельном канале (на каждое колесо) с помощью соленоидов, каждый их которых управляет 2-мя клапанами. Возьмем переднее левое (Front Left)
FL inlet valve - клапан регулировки входного давления (отвечает за входное, "внешнее" давление, обеспеченное главным тормозным цилиндром. Отвечает в том смысле, что может его зафиксировать на уровне "не выше")
FL outlet valve - клапан регулировки выходного давления (отвечает за сброс давления в уже "изолированном" контуре)
По диаграмме видно: оба клапана открываются одновременно
inlet valve работает 1.4 сек - т.е., по всей видимости, в течение некоторого "контрольного" периода (?)
outlet valve работает первые 0.4 сек - открытие этого клапана продолжалось до тех пор, пока давление в контуре не упало до уровня, при котором прекратилась блокировка колеса (уровня сигнала датчика ABS на диаграмме, к сожалению, не видно)
Еще один вывод по картинке: теоретически, снижая давление в главном цилиндре (отпуская педаль тормоза) вы ускоряете процесс разблокирования колеса, т.к. в этом случае давление быстрее стравится излишнее давление, т.к. этого "лишнего" становится меньше.
"Теория — это когда все известно, но ничего не работает. Практика — это когда все работает, но никто не знает почему. Мы же объединяем теорию и практику: ничего не работает… и никто не знает почему!"  — Альберт Эйнштейн

Аватара пользователя
acepire
Клубный Субарист
Январь 2011 / 2443

Re: ABS

Сообщение acepire » 08 апр 2013, 18:26

Любопытная статья из Авторевью, иллюстрирующая ошибки (а строго говоря, неверные параметры конфигурации) в программном обеспечении ABS
http://www.autoreview.ru/_archive/section/detail.php?ELEMENT_ID=123939&SECTION_ID=6991

В свежем номере за апрель есть статейка все о том же: ошибки в ПО ABS, и на этот раз касательно WV Tiguan, Audi Q3. Онлайн-подшивка пока не доступна, но как только появится, постараюсь не забыть сюда её слинковать.
"Теория — это когда все известно, но ничего не работает. Практика — это когда все работает, но никто не знает почему. Мы же объединяем теорию и практику: ничего не работает… и никто не знает почему!"  — Альберт Эйнштейн

Аватара пользователя
acepire
Клубный Субарист
Январь 2011 / 2443

Re: ABS

Сообщение acepire » 30 апр 2013, 13:16

acepire писал(а):В свежем номере за апрель есть статейка все о том же: ошибки в ПО ABS, и на этот раз касательно WV Tiguan, Audi Q3. Онлайн-подшивка пока не доступна, но как только появится, постараюсь не забыть сюда её слинковать.

Вот она. Теперь доступна.
http://www.autoreview.ru/_archive/section/detail.php?ELEMENT_ID=128368&SECTION_ID=7279
"Теория — это когда все известно, но ничего не работает. Практика — это когда все работает, но никто не знает почему. Мы же объединяем теорию и практику: ничего не работает… и никто не знает почему!"  — Альберт Эйнштейн

Аватара пользователя
insertfunnylogin
Клубный Субарист
Сентябрь 2011 / 606
Авто: Merida MATTS TFS 200, Outback II H6-3.0
Откуда: сестрорецк

Re: ABS

Сообщение insertfunnylogin » 30 апр 2013, 13:26

последние полтора года езжу с АБС
до этого ездил без нее

если честно - у меня так и не получилось полноценно осознать, для чего она нужна
я бы выключил ее нафиг (не столько ее, сколько ВДЦ) - но меня останавливает мысль, что неглупые же люди придумали и ведь нужна же она для чего-то...
Congratulations, you've just left your family a second hand Subaru!

Toxa
Клубный Субарист
Апрель 2011 / 598

Re: ABS

Сообщение Toxa » 10 май 2013, 19:36

Я однажды, когда ещё на овоще-лансере гонял, на КАД после вантового осознал, что мне на съезд. И хотя я ехал по правому ряду, отбойник и съезд были настолько близко, что тормозить пришлось довольно резко. Была зима, снег, стрёкот АБС и я, не переломив титановый ломик, и даже не моргнув глазом, аккуратно вкатился куда мне было нужно, а не в этот самый отбойник. Это как с защитой картера - на форике она уже себя полностью окупила, хотя всего буквально за 1 раз за все 6 лет.
NO TURBO NO PARTY!

Аватара пользователя
acepire
Клубный Субарист
Январь 2011 / 2443

Re: ABS

Сообщение acepire » 25 дек 2013, 14:13

Многие водители, начиная торможение с максимальной скорости (более 130 км/ч) на скользкой дороге, особенно на летних шинах, первое мгновение ощущают пассивность ABS. Это связано с тем, что прежде чем начать интенсивное торможение, ABS тестирует дорогу, определяя ее скользкость. Даже такой микроскопический отрезок времени без тороможения вызывает у человека стресс и сомнения.

О как.
"Теория — это когда все известно, но ничего не работает. Практика — это когда все работает, но никто не знает почему. Мы же объединяем теорию и практику: ничего не работает… и никто не знает почему!"  — Альберт Эйнштейн

Аватара пользователя
«Aлексей»
Клубный Субарист
Июль 2010 / 1289
Авто: SG не сток

Re: ABS

Сообщение «Aлексей» » 25 дек 2013, 15:35

Вчера прокатился на праворукой импрезе спорт с системой Eyesight. Вот это круто. Жаль не проверить как держит полосу движения,полосок в питере не нашли
Flash a stock Subaru 1.5-2.0 from 2001
Чип тюнинг атмо субару 1.5-2.0 , от 2001г
Коррекция пробега легаси/аутбек 2015-
Активация доп функций на субару 14-
http://www.ecutune.ru

Аватара пользователя
acepire
Клубный Субарист
Январь 2011 / 2443

Re: ABS

Сообщение acepire » 25 дек 2013, 15:40

alexmi, на G13 что ли? Праворукой с eye-sight? А где такая есть?
"Теория — это когда все известно, но ничего не работает. Практика — это когда все работает, но никто не знает почему. Мы же объединяем теорию и практику: ничего не работает… и никто не знает почему!"  — Альберт Эйнштейн

Аватара пользователя
«Aлексей»
Клубный Субарист
Июль 2010 / 1289
Авто: SG не сток

Re: ABS

Сообщение «Aлексей» » 25 дек 2013, 16:23

Да!Да!Утром поехала в сторону Ставрополя. Цена вопроса 860т. пробег 8т.
Flash a stock Subaru 1.5-2.0 from 2001
Чип тюнинг атмо субару 1.5-2.0 , от 2001г
Коррекция пробега легаси/аутбек 2015-
Активация доп функций на субару 14-
http://www.ecutune.ru


Вернуться в «Практические советы по пилотированию марки Субару»

Кто сейчас на конференции

Сейчас этот форум просматривают: нет зарегистрированных пользователей и 1 гость