
chek
chek
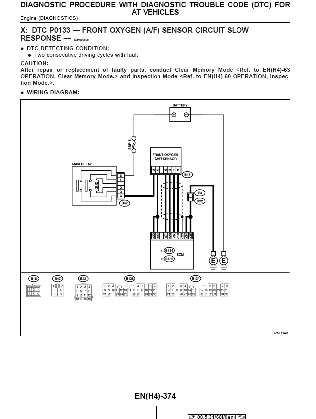
Значит дело было так; загорелси у мня чек значит, поехал искать ошибки, нашел, Р0113(Замыкание на + в цепи датчика температуры всасываемого воздуха IAT) , Р0133 (Замедленное реагирование докаталитического лямбда-зонда (Н4)), датчик воздуха я поменял и воздухан тож. Теперь мучает вопрос, что делать с ошибкой Р0133? 

890четыре602989шесть
- Aquarius
- Клубный Субарист
- Декабрь 2009 / 687
- Авто: Outback III (BPE, EZ30, E-5AT) / BMW K1200RS
- Откуда: Санкт-Петербург
Re: chek
Если фактически она именно так себя и ведет - только замена. Для самоуспокоения, перед принятием окончательного решения, можно в принципе подглядеть значения с нее...
Механик! Не мешай нормальной работе двигателя!
Не надо бояться неисправностей, пусть они тебя боятся!
Не надо бояться неисправностей, пусть они тебя боятся!
- Piligrim
- Администратор
- Октябрь 2005 / 9126
- Авто: UAZ Patriot 2021MY, ранее Forester 2.0 STurbo 2001MY, ещё ранее Forester 2.0 1998MY
- Откуда: Питер
Стабильного наддува тебе Субарист!
...нет ничего нового: все новое — это хорошо забытое старое!
...Пессимист - это хорошо информированный оптимист, а оптимист - хорошо инструктированный пессимист.
...не работаю в Созвездии с 31/12/2018, ушёл на пенсию.
...нет ничего нового: все новое — это хорошо забытое старое!
...Пессимист - это хорошо информированный оптимист, а оптимист - хорошо инструктированный пессимист.
...не работаю в Созвездии с 31/12/2018, ушёл на пенсию.
- Архитектор
- Администратор
- Октябрь 2009 / 2781
- Авто: Forester
- Откуда: Питер
- Piligrim
- Администратор
- Октябрь 2005 / 9126
- Авто: UAZ Patriot 2021MY, ранее Forester 2.0 STurbo 2001MY, ещё ранее Forester 2.0 1998MY
- Откуда: Питер
Re: chek
внесу поправочку...
Врезание Универсальной начинает "отмирать" точно с 2004МУ и выше, с 2001 по 2004 надо смотреть, до 2000 почти всегда можно чтонить придумать.
Ценники розницы на универсальный Lзонд подросли в лабазах нашей Родины поэтому внедрение оной оправданно если ждать родного долго или его нет в доступе.
Врезание Универсальной начинает "отмирать" точно с 2004МУ и выше, с 2001 по 2004 надо смотреть, до 2000 почти всегда можно чтонить придумать.
Ценники розницы на универсальный Lзонд подросли в лабазах нашей Родины поэтому внедрение оной оправданно если ждать родного долго или его нет в доступе.
Стабильного наддува тебе Субарист!
...нет ничего нового: все новое — это хорошо забытое старое!
...Пессимист - это хорошо информированный оптимист, а оптимист - хорошо инструктированный пессимист.
...не работаю в Созвездии с 31/12/2018, ушёл на пенсию.
...нет ничего нового: все новое — это хорошо забытое старое!
...Пессимист - это хорошо информированный оптимист, а оптимист - хорошо инструктированный пессимист.
...не работаю в Созвездии с 31/12/2018, ушёл на пенсию.
Re: chek
Piligrim, а я вот хотел еще узнать, можете ли вы катализатор перебрать, я не имею ввиду замену на плямягаситель, или стоит сначала лямбду поменять!? Я вот просто думаю что если я её поменяю, а в катализаторе однин мусор, то не засрется ли лямбда!? 

890четыре602989шесть
Re: chek
Добрый день! Дабы не плодить темы, спрошу сдесь:
Самодиагностика выявила код ошибки 53? Порыл в мануалах там всяких и интернетах и нашёл ошибку иммобилайзера
. Так ли это и что это значит-то?
Самодиагностика выявила код ошибки 53? Порыл в мануалах там всяких и интернетах и нашёл ошибку иммобилайзера
. Так ли это и что это значит-то?бу-бу-бу...
Кто сейчас на конференции
Сейчас этот форум просматривают: нет зарегистрированных пользователей и 2 гостя


