Не горят фары и птф Outback 2000 г.в.

Все о ремонте, как и что. Делимся, спрашиваем.
Lespunk
Клубный Субарист
Сентябрь 2014 / 23
Откуда: Санкт-Петербург

Не горят фары и птф Outback 2000 г.в.

Сообщение Lespunk » 29 дек 2014, 13:08

Здравствуйте уважаемы форумчане! Автомобиль Subaru legacy Outback 2000 года выпуска, Северная Америка. Столкнулся с проблемой неработающих фар и птф.
Предыдущим хозяином кинут провод из жгута проводки идущего на фары (в месте где коса выходит из под левого крыла) прямо под реле левой фары (смотри рисунок, контакт реле обведен красным). Сейчас если этот провод не убирать работают габариты и ближний в левой фаре, дальний не работает совсем, даже лампочка на приборной панели.
Птф не работают совсем. Если убрать этот провод света в фарах нет совсем. Если с воткнутым проводом поставить авто на ручник и не выключая свет заглушить мотор и опустить ручник, срабатывает штатная система DRL (работают обе фары!), выключаем освещение и штатная система DRL отключатся.
Что я сделал перед тем как обращаться на форум: проверка ламп (кроме птф), проверка реле в блоке под капотом, проверка предохранителей под капотом и в салоне в районе левой коленки. Пробовал подоткнуть тестер к контактам в блоке реле и предохранителей под капотом (те которые включают реле правой фары, а потом и те которые включают реле левой фары) при убраном колхозном проводе, тестер показал 0 вольт на всех режимах освещения. Колхозный провод выдает10 вольт при включенном зажигание, 10 вольт при включенных габаритах и 12 вольт при включенном ближнем.
Вопрос к знатокам: куда лезть и что смотреть?
Вложения

Dementy
Клубный Субарист
Январь 2010 / 971
Авто: Volvo и Mercedes
Откуда: Город На Неве

Re: Не горят фары и птф Outback 2000 г.в.

Сообщение Dementy » 29 дек 2014, 13:45

Думается мне, начинать надо с проверки переключателя света. Самое больное место, т.к. переключатель коммутирует силовую землю на лампах.

Dementy
Клубный Субарист
Январь 2010 / 971
Авто: Volvo и Mercedes
Откуда: Город На Неве

Re: Не горят фары и птф Outback 2000 г.в.

Сообщение Dementy » 29 дек 2014, 13:48

http://i069.radikal.ru/1404/75/30c1cf1c53ea.jpg
Поиском нашел на нашем форуме ;)

Lespunk
Клубный Субарист
Сентябрь 2014 / 23
Откуда: Санкт-Петербург

Re: Не горят фары и птф Outback 2000 г.в.

Сообщение Lespunk » 29 дек 2014, 14:07

Dementy, спасибо за совет, проверю.

Lespunk
Клубный Субарист
Сентябрь 2014 / 23
Откуда: Санкт-Петербург

Re: Не горят фары и птф Outback 2000 г.в.

Сообщение Lespunk » 31 дек 2014, 18:54

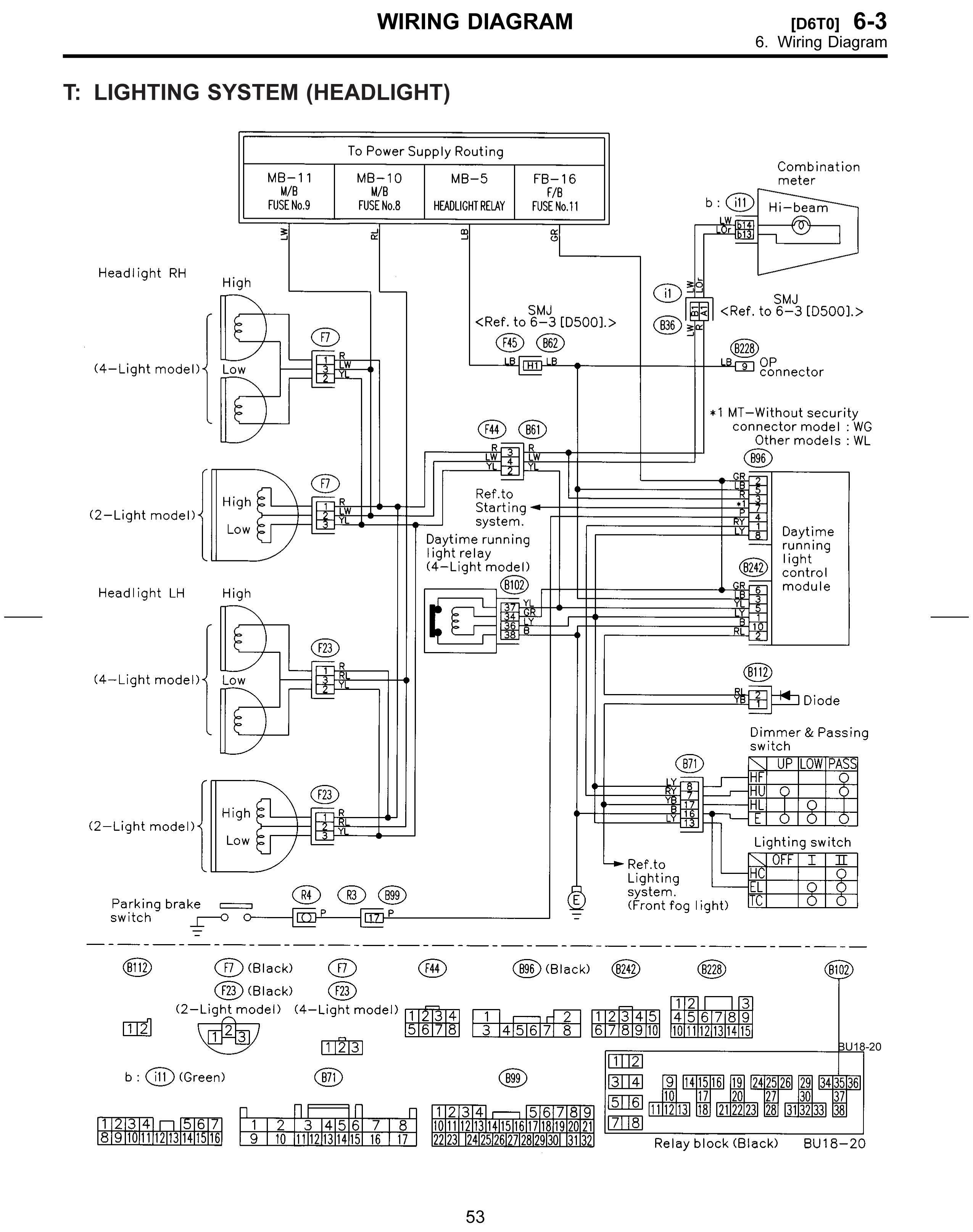
Проверил переключатель, работает все что должен замыкать замыкает.Схема у меня,похоже, такая как во вложение. Я тихо подозреваю что моросит именно блок DRL, вот только как его проверить.
Вложения
6-3(Headlight).jpg

Аватара пользователя
Boroda
Клубный Субарист
Июль 2010 / 2587
Авто: Outback B12 AT(был) ,KIA Spectra GS(есть).
Откуда: Санкт-Петербург

Re: Не горят фары и птф Outback 2000 г.в.

Сообщение Boroda » 31 дек 2014, 19:08

Снять и разобрать блок,там обычно видно что сгорело).
Спустился с гор,за солью!!!
Мощность как деньги и время-постоянно не хватает......

Lespunk
Клубный Субарист
Сентябрь 2014 / 23
Откуда: Санкт-Петербург

Re: Не горят фары и птф Outback 2000 г.в.

Сообщение Lespunk » 05 янв 2015, 23:53

Блок заменил, помогло. Старый разобрал, на вид все живое, подозреваю здоровую релюху впаянную в плату, отремонтирую и оставлю в запас. Всем спасибо за советы! :13:


Вернуться в «Ремонт / Обслуживание и обмен опытом»

Кто сейчас на конференции

Сейчас этот форум просматривают: нет зарегистрированных пользователей и 1 гость