Проблема с электрикой в головном свете
Проблема с электрикой в головном свете
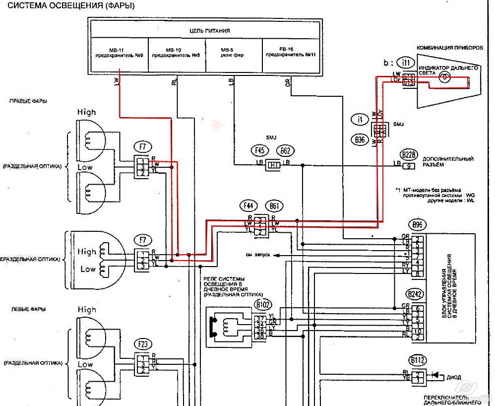
В общем история такая, пытался вчера поставить фары с ксеноном от японки, на свою европейку. Столкнулся с такой проблемой, что когда стоит предохранитель дальнего света на правую фару, на штекере левой фары появляется дополнительный плюс на красном проводе. Хотя по факту в этом штекере должно быть два минуса и один плюс. А когда подаешь плюс на левый штекер в плюсовой провод (толстый красный с синей полосой), то на красном проводе правого штекера тоже есть плюс. Размотал почти всю косу, думал может где чего перетёрлось или наколхозили, нет все провода в порядке. Есть мысли?
Авто Subaru Legacy BE9, с раздельной оптикой, дорестайл.
Авто Subaru Legacy BE9, с раздельной оптикой, дорестайл.
- Aquarius
- Клубный Субарист
- Декабрь 2009 / 687
- Авто: Outback III (BPE, EZ30, E-5AT) / BMW K1200RS
- Откуда: Санкт-Петербург
Re: Проблема с электрикой в головном свете
Ну, так Вы фару правую отключите и все пройдет. Про существование нити в лампе накаливания то вы, вероятно, позабыли.
Механик! Не мешай нормальной работе двигателя!
Не надо бояться неисправностей, пусть они тебя боятся!
Не надо бояться неисправностей, пусть они тебя боятся!
Re: Проблема с электрикой в головном свете
Все проверки проводились со снятыми фарами. Поэтому плюса быть не должно.
- Aquarius
- Клубный Субарист
- Декабрь 2009 / 687
- Авто: Outback III (BPE, EZ30, E-5AT) / BMW K1200RS
- Откуда: Санкт-Петербург
Re: Проблема с электрикой в головном свете
А про контрольную лампу в панели приборов не забыли?
Механик! Не мешай нормальной работе двигателя!
Не надо бояться неисправностей, пусть они тебя боятся!
Не надо бояться неисправностей, пусть они тебя боятся!
Re: Проблема с электрикой в головном свете
А можно поподробнее про неё?
Re: Проблема с электрикой в головном свете
Мы вчера весь вечер ломали голову и была мысль что там должен быть диод. Но почему тогда выбивает предохранитель дальнего света?
Re: Проблема с электрикой в головном свете
Главное не забыть, что на ксеноновый свет нужно ставить преды на 25А. Кроме того, нужно решить вопрос с штатными ДХО, точнее с их отключением.
Re: Проблема с электрикой в головном свете
А зачем тему блокирнули?
- Piligrim
- Администратор
- Октябрь 2005 / 9126
- Авто: UAZ Patriot 2021MY, ранее Forester 2.0 STurbo 2001MY, ещё ранее Forester 2.0 1998MY
- Откуда: Питер
Re: Проблема с электрикой в головном свете
Dementy, тыж Модер = разблок назад
Стабильного наддува тебе Субарист!
...нет ничего нового: все новое — это хорошо забытое старое!
...Пессимист - это хорошо информированный оптимист, а оптимист - хорошо инструктированный пессимист.
...не работаю в Созвездии с 01/01/2019, ушёл на пенсию.
...нет ничего нового: все новое — это хорошо забытое старое!
...Пессимист - это хорошо информированный оптимист, а оптимист - хорошо инструктированный пессимист.
...не работаю в Созвездии с 01/01/2019, ушёл на пенсию.
Кто сейчас на конференции
Сейчас этот форум просматривают: нет зарегистрированных пользователей и 7 гостей
